产品搜索
|
RL-DLQB型断路器保护板
保护电磁线圈不会被高电压击穿、有效地减弱或消除触点拉弧现象或大大减弱触点打火能量,并且还具有自动限时带电时间,防止电器设备在开合时,线圈长时间带电则使线圈严重发热烧毁事故的发生,确保了电器设备的正常开合,从而提高了电器设备开合时,正确动作的可靠性。保护板特有的安装方式,做到安装便捷牢固可靠。
功能简述
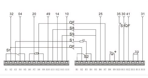
保护板有4个输出模块,分别为分闸控制回路、储能电机控制回路、电磁锁控制回路和合闸控制回路,4个回路分别可以通过短接块方便实现交直流220V或110V的供电转换,也可以通过短接块方便实现有无防跳和电磁锁的切换。每一回路均放置快速短路保护保险丝,在输出回路短路时避免损坏回路其他器件。
功能简述
保护板有4个输出模块,分别为分闸控制回路、储能电机控制回路、电磁锁控制回路和合闸控制回路,4个回路分别可以通过短接块方便实现交直流220V或110V的供电转换,也可以通过短接块方便实现有无防跳和电磁锁的切换。每一回路均放置快速短路保护保险丝,在输出回路短路时避免损坏回路其他器件。
技术指标
工作温度:-50℃~85℃
相对湿度:不大于75% 无腐蚀性气体场合
工作海拔:不高于3000m
绝缘耐压:不低于2000V AC
绝缘电阻:不低于100MΩ
抗干扰性:符合IEC255-22标准
工作电源:AC/DC 73~265V
功 耗:不大于10W
外形尺寸:190mm(长)×100mm(宽))
安装方法
具体安装方式以安装图的三个定位孔为准




